Zhejiang Sehnaider Electric Co., Ltd.
Zhejiang Sehnaider Electric Co., Ltd.
Produkty
LMZJ1-0,5-80 Transformátory
  • LMZJ1-0,5-80 TransformátoryLMZJ1-0,5-80 Transformátory

LMZJ1-0,5-80 Transformátory

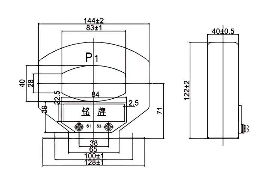
Transformátory LMZJ1-0,5-80 jsou pro přesné aplikace měření a ochrany v elektrických systémech. S jmenovitým proudovým rozsahem 0,5-80A poskytují tyto transformátory spolehlivý a přesný výkon v různých průmyslových prostředích.

Transformátory proudu LMZJ1-0,5-80 jsou známé svou vysokou přesností, chybou nízkého fáze a vynikající linearitou, což zajišťuje přesné měření úrovní proudu. Tyto současné transformátory jsou navrženy tak, aby byly kompaktní a snadno se instalovaly, což je způsobuje, že jsou vhodné pro širokou škálu konfigurací elektrického systému. Skvělé transformátory LMZJ1-0,5-80 jsou postaveny z vysoce kvalitních materiálů, jsou odolné a poskytují dlouhodobou stabilitu pro nepřetržitý provoz. Důvěra LMZJ1-0,5-80 proudových transformátorů pro přesné měření proudu a spolehlivou ochranu elektrických systémů.


Specifikace

Jmenovité napětí 500V
Hodnocená frekvence 50Hz
Hodnocení primárního proudu 10a, 12,5a, 15a, 20a, 25a .., 6000a
Hodnocení sekundárního proudu 5a; 1a
Sekundární zatížení
faktor
0,8 (zpoždění)
Jmenovitý výstup 2.5VA, 5VA, 10VA, 20VA
Přesnost 0,2; 0,2S; 0,5; 0,5 s
Izolační odpor Izolační odpor primárního vinutí na sekundární vinutí
a na Zemi ≥ 20 mΩ
Frekvence výkonu
odolat napětí
Odolte platné hodnotě primárního vinutí na sekundární vinutí
a na Zemi ≥ 3 kV

Hot Tags: LMZJ1-0,5-80 Transformátory
Odeslat dotaz
Kontaktní informace
Máte -li jakýkoli dotaz ohledně citace nebo spolupráce, neváhejte nám pošlete e -mail na adresu River@dahuelec.com nebo použijte následující dotazovací formulář. Náš obchodní zástupce vás bude kontaktovat do 24 hodin. Děkujeme za váš zájem o naše výrobky.
X
Používáme cookies, abychom vám nabídli lepší zážitek z prohlížení, analyzovali návštěvnost webu a přizpůsobili obsah. Používáním tohoto webu souhlasíte s naším používáním souborů cookie. Zásady ochrany osobních údajů
Odmítnout Přijmout