Zhejiang Sehnaider Electric Co., Ltd.
Zhejiang Sehnaider Electric Co., Ltd.
Produkty
Aktuální transformátory BH-0,66-60
  • Aktuální transformátory BH-0,66-60Aktuální transformátory BH-0,66-60

Aktuální transformátory BH-0,66-60

Aktuální transformátory BH -0.66-60 přijímají PC plamene - retardantní materiál a magnetický - vodivý materiál je žíhaným toroidním jádrem, který zajistí přesnost produktu na úrovni 0,2 a 0,5. U hladin ultra - vysoké přesnosti, jako je 0,2S a 0,5s, mohou takové požadavky na přesnost splňovat pouze supravodivé magnety.

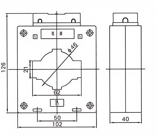
Pro proudové transformátory BH-0,66-60 jsou použitelné pro energetické systémy s jmenovitým frekvencí 50 Hz a jmenovité napětí 0,66 kV, 0,69 kV, 0,5 kV a níže pro měření elektrické energie, měření proudu a ochranou relé.


Tento současný transformátor Dahu je určen pro vnitřní použití, instalovaný uvnitř distribuční skříně a krabice. Je vybaven novým designem magnetického obvodu, pokročilé metody kompenzace, vynikající techniky zpracování, bezpečný a spolehlivý výkon a malý a krásný vzhled.


Vnější skořepina je vyrobena z vysokofrekvenčního ohnivého - retardovaného počítače s plně - uzavřenou strukturou a plamenem - retardérem V1. Vnitřní jádro je vyrobeno z vysoce kvalitních zrna - orientovaných na křemíkonové ocelové listy. Průměr drátu je přísně vybrán podle hustoty ekonomické proudu, aby se zajistilo menší zvýšení teploty. S pokročilým a spolehlivým testovacím zařízením zajišťuje dodržování standardů kvality.


Má typy čtvercových a kulatých otvorů, vhodné pro penetraci jednoho - kořenového nebo více - penetrace kořenového kabelu nebo penetraci kořenového kořene. Má kompletní sérii produktů, širokou škálu specifikací a široký rozsah aplikací.


Aplikace

Monitorování a měření energie

Ochrana obvodu a koordinace relé

Průmyslové automatizace a inteligentní systémy mřížky

Technické specifikace

Jmenovité napětí: 0,66 kV

Frekvence: 50/60 Hz

Třída přesnosti: 0,5, 1,0 (přizpůsobitelné)

Úroveň izolace: 3kv/min


Hlavní technické parametry

Hodnocení primární
Aktuální (a)
Přesnost
třídy
kombinace
Hodnocení sekundárního výstupu (VA) 1S tepelný proud (KA) Hodnocený dynamický proud (KA)
0,2 (s) 0.2 0.5 10p10
5-40 0,2/10p10
0,5/10p10
/ 10 10 15 90lin 220lin
5-40 100lin 250lin
5-40 20 50
5-40
5-40 36 90
10
5-40 45 100
5-40 56 100
5-40
5-40 80 110
5-40 100 110


Hot Tags: Aktuální transformátory BH-0,66-60
Odeslat dotaz
Kontaktní informace
Máte -li jakýkoli dotaz ohledně citace nebo spolupráce, neváhejte nám pošlete e -mail na adresu River@dahuelec.com nebo použijte následující dotazovací formulář. Náš obchodní zástupce vás bude kontaktovat do 24 hodin. Děkujeme za váš zájem o naše výrobky.
X
Používáme cookies, abychom vám nabídli lepší zážitek z prohlížení, analyzovali návštěvnost webu a přizpůsobili obsah. Používáním tohoto webu souhlasíte s naším používáním souborů cookie. Zásady ochrany osobních údajů
Odmítnout Přijmout