Zhejiang Sehnaider Electric Co., Ltd.
Zhejiang Sehnaider Electric Co., Ltd.
Produkty
Aktuální transformátory BH-0,66-50
  • Aktuální transformátory BH-0,66-50Aktuální transformátory BH-0,66-50

Aktuální transformátory BH-0,66-50

Aktuální transformátory BH-0.66-50 jsou přesné přístroje navržené pro přesné měření a monitorování elektrických proudů v různých průmyslových aplikacích. S jmenovitým proudem 50A a transformačním poměrem 0,66 poskytují tyto transformátory spolehlivé a přesné schopnosti měření proudu.

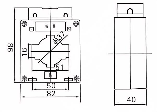
Transformátor proudu epoxidové pryskyřice nebo transformátoru proudu plastového pláště vnitřního

• Jednorázová, dvoufázová nebo tři fáze.

• Jmenovité napětí: 0,66 kV

• Měření třídy pro CT: 0,2S, 0,2,0,5, 0,5 s

• Standard: IEC61869-2

• Název typu: BH-0.66-50

Tento proudový transformátor typu indoor suchý typ se používá v 0,66 kV, 0,75 kV. napájecí systém pro měření a ochranu.

Používá se v rozváděči skříně nebo v přepínacích stanicích nainstalovaných v zátoce.

Transformátory proudu BH-0,66-50 jsou vyrobeny z vysokoteplotní vnitřní epoxidové pryskyřice, jádra amorfní slitiny pro měření a vysokou kvalitu uvnitř jádra pro ochranu, primární a sekundární použití čisté elektrolytické mědi.


Aplikace:

Systémy distribuce energie

Systémy řízení energie

Sledování průmyslového vybavení

Systémy obnovitelné energie


1. Prémiové materiály

Vysoce kvalitní jádra: přesnost laminovaná křemíková ocel nebo nanokrystalická jádra pro minimální ztráty a vysokou linearitu.  

Robustní izolace: Návrhy epoxidové pryskyřice zajišťují dlouhodobou stabilitu v drsném prostředí.  


2. Vynikající výkon

Přesnost: Třída 0,2/0,5 pro měření, 5p/10p pro ochranu, v souladu s IEC 61869, 60044, IEEE a ANSI.  

Široký rozsah: Podporuje systémy 0,6 kV-36KV s vlastními poměry/frekvenci (50/60Hz).  

Nízký tepelný vzestup: Optimalizovaný design snižuje přehřátí a prodlouží životnost.  

Imunita EMC: Shiels proti elektromagnetickému rušení pro spolehlivé signály.  


3. Služba a podpora

Vlastní řešení: Poměry přizpůsobené velikosti nebo konektory (např. DIN Rail, IEC terminály).  

Globální certifikace: IEC, CE, ISO a místní schválení mřížky.  

Celoživotní technická pomoc: 24/7 podpora, pokyny pro instalaci a dodávky náhradních dílů.  

Rychlé dodání: standardní produkty za 2-4 týdny; Zrychlené možnosti naléhavých potřeb.  


Hlavní technické parametry

Hodnocení primární
Aktuální (a)
Přesnost
třídy
kombinace
Hodnocení sekundárního výstupu (VA) 1S tepelný proud (KA) Hodnocený dynamický proud (KA)
0,2 (s) 0.2 0.5 10p10
5-40 0,2/10p10
0,5/10p10
/ 10 10 15 90lin 220lin
5-40 100lin 250lin
5-40 20 50
5-40
5-40 36 90
10
5-40 45 100
5-40 56 100
5-40
5-40 80 110
5-40 100 110




Hot Tags: Aktuální transformátory BH-0,66-50
Odeslat dotaz
Kontaktní informace
Máte -li jakýkoli dotaz ohledně citace nebo spolupráce, neváhejte nám pošlete e -mail na adresu River@dahuelec.com nebo použijte následující dotazovací formulář. Náš obchodní zástupce vás bude kontaktovat do 24 hodin. Děkujeme za váš zájem o naše výrobky.
X
Používáme cookies, abychom vám nabídli lepší zážitek z prohlížení, analyzovali návštěvnost webu a přizpůsobili obsah. Používáním tohoto webu souhlasíte s naším používáním souborů cookie. Zásady ochrany osobních údajů
Odmítnout Přijmout