Zhejiang Sehnaider Electric Co., Ltd.
Zhejiang Sehnaider Electric Co., Ltd.
Produkty
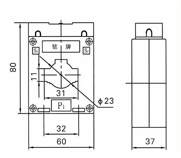
Aktuální transformátory BH-0,66-30
  • Aktuální transformátory BH-0,66-30Aktuální transformátory BH-0,66-30

Aktuální transformátory BH-0,66-30

Aktuální transformátory BH-0.66-30 jsou přesně inženýrské nástroje určené pro přesné měření proudu a monitorování v elektrických systémech s nízkým napětím. S jmenovitým izolačním napětím 0,66 kV jsou tyto transformátory ideální pro správu energie, ochranné přenosy a měření.

Funkce:

Vysoká přesnost: Splňuje standardy IEC 61869 a zajišťuje spolehlivý výkon pro účely fakturace a monitorování.

Kompaktní design: Konstrukce úspory prostoru pro snadnou instalaci v těsných prostorech.

Široký proudový rozsah: Primární proud až 30a, vhodný pro rozmanitá průmyslová a komerční zatížení.

Odolné materiály: Robustní bydlení poskytuje odolnost vůči faktorům prostředí a mechanickému stresu.

Dodržování bezpečnosti: BH-0.66-30 Aktuální transformátory v souladu s mezinárodními certifikacemi bezpečnosti a výkonu.


Aplikace:

Měření energie v systémech distribuce energie.

Ochrana nadměrného proudu v jističích a relé.

Integrace s monitorovacími řešeními založených na inteligentních mřížkách a IoT.

Technické specifikace:

Jmenovité napětí: 0,66 kV

Frekvence: 50/60 Hz

Třída přesnosti: 0,5, 1,0 (přizpůsobitelné)

Břemeno: Podle požadavků zákazníka


Hlavní technické parametry

Hodnocení primární
Aktuální (a)
Přesnost
třídy
kombinace
Hodnocení sekundárního výstupu (VA) Je tepelný proud (KA) Hodnocený dynamický proud (KA)
0,2 (s) 0.2 0.5 10p10
5-40 0,2/10p10
0,5/10p10
/ 10 10 15 90lin 220lin
5-40 100lin 250lin
5-40 20 50
5-40
5-40 36 90
10
5-40 45 100
5-40 56 100
5-40
5-40 80 110
5-40 100 110


Hot Tags: Aktuální transformátory BH-0,66-30
Odeslat dotaz
Kontaktní informace
Máte -li jakýkoli dotaz ohledně citace nebo spolupráce, neváhejte nám pošlete e -mail na adresu River@dahuelec.com nebo použijte následující dotazovací formulář. Náš obchodní zástupce vás bude kontaktovat do 24 hodin. Děkujeme za váš zájem o naše výrobky.
X
Používáme cookies, abychom vám nabídli lepší zážitek z prohlížení, analyzovali návštěvnost webu a přizpůsobili obsah. Používáním tohoto webu souhlasíte s naším používáním souborů cookie. Zásady ochrany osobních údajů
Odmítnout Přijmout